技术支持:0755-83696315(刘工)   业务对接:18126187946(张生)
当前位置:首页 > 产品中心 > 思远半导体 TPS(电源)
产品中心
SY6128

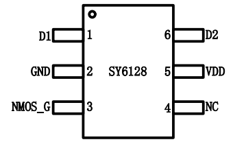
SY6128是一款Iphone母座充电协议IC,集高速、超低功耗和抗噪声于一体,完美支持Iphone数据线充电。

SY6128的外围简单,稳定性高,兼容性强,sot23-6封装,体积小,可以实现最优的Iphone母座充电方案。

SY6128支持A/C转lightning线。

经销品牌
Copyright ? 2013 深圳市深方达科技有限公司版权所有. All Rights reserved 粤ICP备2025358382号